| Sign In | Join Free | My ecer.com.ru |
|
Brand Name : Firepower
Model Number : JB1-02
Place of Origin : China
MOQ : 1
Price : 1190
Payment Terms : T/T
Supply Ability : 500/month
Delivery Time : 1 week for sample order
Packaging Details : sponge/box
product name : quartz flexure accelerometer
application : vibration measure in IMU, INS
0g 4hours short-term Stability : ≤30 μg
Bias thermal coefficient : ≤±80 μg /℃
Scale factor thermal coefficient : ≤±100 ppm /℃80
Natural frequency : 350~800 Hz
Single Axis Quartz Accelerometer , Flexure Vibration Meter , Flight Control Vibration Sensor
Descriptions
quartz flexible accelerometer is a miniaturized, high temperature and shock resistant accelerometer. The product has excellent
Features such as repeatability, start-up performance, high temperature and shock resistance, and high reliability, can be used for both static testing and dynamic testing.
The state test is also a standard vibration sensor.
The product adopts unique miniaturization, high temperature and seismic design, advanced packaging technology and special circuits.
The flow is proportional to the input acceleration, and the user can select a suitable sampling resistor by calculation to achieve a high-precision output. And
Built-in temperature sensor according to user needs, which can be used to compensate for offset value and scale factor to reduce the impact of ambient temperature.
Application areas: oil drilling inclination measurement and vibration isolation testing of precision instruments.
Performance Characteristics
| No. | Parameters | JB1-01 |
| 1 | Range | ±50g |
| 2 | Threshold | 5μg |
| 3 | Bias K0/K1 | ≤±3mg1 |
| 4 | Scale factor K1 | 1.05~1.30 Ma/g |
| 5 | Second order nonlinearity coefficient K2 | ≤±10μg /g2 |
| 6 | 0g 4 hours short-term stability | ≤10 μg |
| 7 | 1g 4 hours short-term stability | ≤10 ppm |
| 8 | Bias comprehensive repeatability σK0 (1σ,1 month) | ≤10 μg |
| 9 | Scale factor comprehensive repeatability σK1/K1 (1σ,1 month) | ≤15ppm |
| 10 | Nonlinearity coefficient comprehensive repeatability K2/K1(1σ, 1 month) | ≤±10 μg /g2 |
| 11 | Bias thermal coefficient (full temp. mean) | ≤±10 μg /℃ |
| 12 | Scale factor thermal coefficient (full temp. mean) | ≤±10 ppm /℃ |
| 13 | Noise (sampling resistance 840Ω) | ≤5mv |
| 14 | Natural frequency | 400~800 Hz |
| 15 | Bandwidth | 800~2500 Hz |
| 16 | Random vibration | 6g(20-2000Hz) |
| 17 | Impact | 100g,5ms,1/2sin |
| 18 | Working temp. | -55~+85℃ |
| 19 | Store temp. | -60~+120℃ |
| 20 | Power supply | ±12~±15V |
| 21 | Consume current | ≤±20mA |
| 22 | Thermal sensor | Customizable |
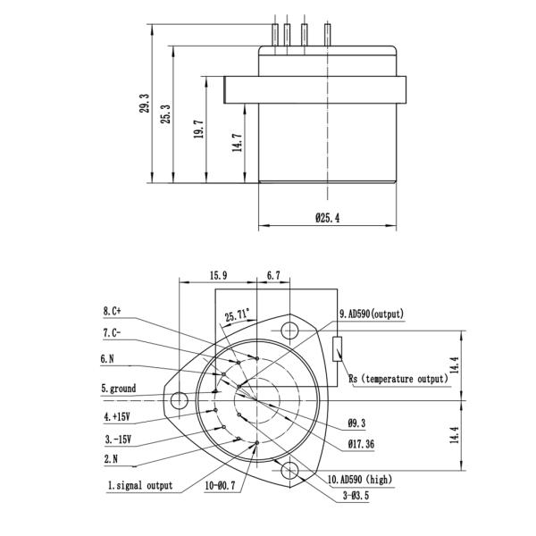
| 23 | Size | Ф25.4X30mm |
| 24 | Weight | ≤80g |
Characters
● Low lag
● High resolution
● High stability
● High accuracy
● Low power
● Excellent overload capacity
● Small volume
● Low cost
● Broad measurement range
Size:

Applications
● Drilling and Inclination Measurement
● Aeronautics and Astronautics
● Instruments and Equipment
|
|
Single Axis Quartz Accelerometer , Flight Control Flexure Vibration Meter Images |